Translate

2009年9月18日金曜日

PICの電源

PIC16F88を使うには、PIC16F87/88 Datasheet が取扱説明書です。

Datasheetの最初のほうにPin Diagramがあります。









まず始めに電源の繋ぎ方です。

PIC16F88の電源は、4vから5.5vです。
(最近のPICは、2vから5.5vが多くなっています。)

下図のように電源5vを接続します。1.5vの乾電池3本でも良い。
14ピンのVddを5v、5ピンのVssをGNDに繋ぎます。





PICには、目印に半丸と1番ピンに小さい丸があります。

回路図の書き方は、

電源のプラス(+)側を上に、GND側を下に書くのが基本です。
雷が空から地面に落ちるイメージです。

左側の回路図は普通の書き方で、
右側の回路図はブレッドボードを意識した書き方です。

PICはMicro Chip社の製品で種類がたくさんあり、それぞれ機能が違います。
特に異なる例を紹介します。





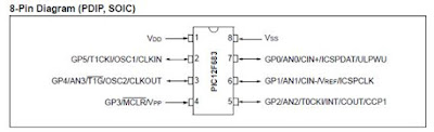
PIC12F683は、1ピンがVddで5v、8ピンのVssがGNDです。
左右が逆なので注意が必要です。


I/OピンもRA0やRB0ではなくGP0、
番号の並び方も右回りになっていて逆ですね。





このように、使いたいPICが決まったらDatasheetを必ずDownloadします。

余談ですが、これらの回路図は、JW_CAD で書いています。
このCADは、おそらく日本で一番多くの方が使っている建築用の2次元CADです。
回路図専用のCADではないので描きにくい面もありますが、部品をノギスで測定し原寸で図形を登録していくと基盤のレイアウトに役立ちます。

Free Softなので、ぼくのパソコンにはすべてinstallして仕事で使っています。
もし、これから2D_CADを始めようと考えておられる方にはお薦めです。
Made in Japan のCADです。
応援します。
Downloadしてみてぜひ愛用下さい。
ちょっと大きな本屋さんには取説が何冊もあります。

0 件のコメント:

コメントを投稿